24/07/2024
The heart of any marine vessel relies heavily on the efficient operation of its diesel engines. Crucial to this efficiency is a well-maintained and understood fuel oil system. This complex network is responsible for delivering precisely the right amount of fuel, at the correct pressure and temperature, to ensure optimal combustion and power generation. Understanding the intricacies of this system is paramount for marine engineers and anyone involved in vessel maintenance.

- The Dual Nature of Marine Fuel Systems
- Fuel Oil Storage and Transfer: The Foundation
- The Diesel Oil Service Tank: A Key Component
- Ensuring Optimal Fuel Quality: Filtration, Heating, and Viscosity Control
- The Path to the Main Engine: A Step-by-Step Breakdown
- Understanding the Fuel Oil System Diagram
- The Role of Different Fuel Types
- Common Questions and Answers
- Maintaining the System for Peak Performance
The Dual Nature of Marine Fuel Systems
At its core, a marine diesel fuel system can be broadly divided into two primary, interconnected parts: the fuel supply system and the fuel injection system. The fuel supply system is concerned with ensuring that the fuel oil reaching the injection system is of the appropriate quality and condition for combustion. This involves a series of processes, from initial bunkering (refuelling) to the final delivery to the engine's injectors. The fuel supply encompasses various piping networks designed for bunkering, storage, transfer, offloading, and crucially, the treatment of fuel oils.
Fuel Oil Storage and Transfer: The Foundation
The journey of fuel oil begins with its arrival at the vessel. The fuel oil transfer system is the initial stage, responsible for receiving the fuel and storing it. From there, it's systematically delivered to settling tanks. Marine vessels typically load fuel oil through deck fill connections, which are equipped with sample connections. This allows for fuel to be sampled as it's taken aboard, a vital step in quality control, especially when dealing with Heavy Fuel Oil (HFO). HFO, due to its viscous nature, requires storage tanks fitted with heating coils to maintain a workable temperature and viscosity.
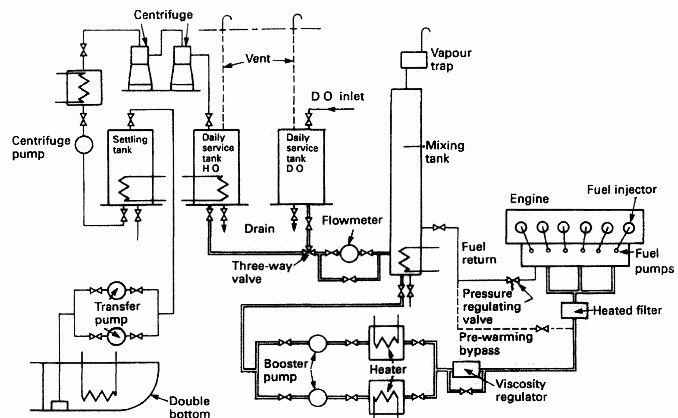
The Diesel Oil Service Tank: A Key Component
For many large marine diesel engines, particularly two-stroke crosshead engines, a dedicated diesel oil service tank plays a crucial role. This tank provides a cleaner, lighter fuel for starting up and manoeuvring the vessel. The diagram often associated with such systems illustrates a sophisticated flow path. Oil from the service tank typically flows through a three-way valve to a supply pump. Following this, it passes through a filter and a flow meter before reaching a mixing column. The flow meter is an essential instrument, providing real-time data on fuel consumption, allowing engineers to monitor engine performance.
Ensuring Optimal Fuel Quality: Filtration, Heating, and Viscosity Control
From the mixing column, circulation pumps take over, pushing the fuel through heaters and a viscosity regulator. The heaters are critical for bringing the fuel up to the required temperature, while the viscosity regulator actively controls this temperature to ensure the fuel possesses the correct viscosity for efficient atomisation and combustion. A pressure regulating valve is also incorporated to maintain a constant supply pressure to the engine-driven fuel pumps, ensuring consistent delivery. Furthermore, a pre-warming bypass is often included, allowing the fuel to be heated before the main engine is even started, facilitating smoother cold starts.
The Path to the Main Engine: A Step-by-Step Breakdown
Let's trace the fuel's path from the storage tank to the main engine, as often depicted in system diagrams:
- Bunkering & Storage: Fuel is taken aboard via deck connections and stored in main storage tanks. HFO tanks are heated.
- Transfer to Settling Tanks: The fuel oil transfer system moves fuel from storage to settling tanks for initial separation of water and sediment.
- Service Tank Supply: Fuel is then transferred to the daily service tank or a dedicated diesel oil service tank for lighter fuels.
- Supply Pump & Filtration: A supply pump draws fuel from the service tank, pushing it through a primary filter to remove any remaining impurities.
- Flow Meter: A flow meter measures the volume of fuel being supplied, providing crucial consumption data.
- Mixing Column: This acts as a buffer and a point where recirculated fuel might be introduced.
- Circulation Pumps: These pumps maintain a continuous flow of fuel through the subsequent stages.
- Heaters: Fuel is heated to the optimal temperature for viscosity control.
- Viscosity Regulator: This device actively manages fuel temperature to achieve the desired viscosity.
- Pressure Regulation: A pressure regulating valve ensures a consistent pressure to the engine-driven pumps.
- Engine-Driven Fuel Pumps: These high-pressure pumps are directly driven by the engine and deliver fuel to the injectors.
- Injection: Finally, the high-pressure fuel is injected into the engine cylinders for combustion.
Understanding the Fuel Oil System Diagram
Fuel oil system diagrams are invaluable tools for marine engineers. They visually represent the complex arrangement of tanks, pumps, filters, heaters, valves, and instrumentation. By studying these diagrams, one can trace the flow of fuel, identify potential failure points, and understand the function of each component. Key elements typically highlighted include:
- Tank Identification: Clear labelling of storage, settling, service, and overflow tanks.
- Pump Types: Distinguishing between transfer, service, and engine-driven pumps.
- Filtration Stages: Showing primary, secondary, and polishing filters.
- Heating Elements: Indicating the location and type of fuel heaters.
- Control Valves: Highlighting pressure regulators, three-way valves, and bypass valves.
- Instrumentation: Showing the placement of flow meters, pressure gauges, temperature sensors, and viscosity meters.
The Role of Different Fuel Types
Marine diesel engines can often operate on a range of fuels, from marine diesel oil (MDO) to intermediate fuel oil (IFO) and heavy fuel oil (HFO). Lighter fuels like MDO are ideal for starting and manoeuvring due to their lower viscosity and easier combustion properties. As the engine warms up and the vessel is underway, the system can transition to heavier, more economical fuels. The system must be capable of handling the pre-heating and viscosity control required for these heavier fuels. A diesel oil service tank allows for a seamless switch, enabling the engine to start and run on diesel or even a blend of diesel and heavy fuel oil.
Common Questions and Answers
Q1: Why is fuel viscosity control so important in marine diesel engines?
A1: Correct fuel viscosity ensures that the fuel atomises properly when injected into the combustion chamber. Poor atomisation leads to incomplete combustion, reduced power output, increased fuel consumption, and higher emissions. The viscosity regulator maintains the fuel at an optimal level for efficient spraying.

Q2: What is the purpose of the settling tank?
A2: Settling tanks allow heavier fuel oils to settle out any water and solid contaminants before the fuel is sent to the service tank. Water and sediment can cause significant damage to fuel injection equipment and hinder combustion. Heating coils in settling tanks also help to reduce the viscosity of the fuel, aiding separation.
Q3: Can a diesel engine run on any type of fuel oil?
A3: While many marine diesel engines are designed to run on a range of fuels, they cannot run on any fuel oil without proper preparation. Heavy fuel oils require significant pre-heating and viscosity control. Using the wrong fuel or failing to adjust the system parameters can lead to engine damage or poor performance.
Q4: What are the main components of the fuel injection system?
A4: The fuel injection system typically comprises high-pressure fuel pumps (often engine-driven), fuel lines, and fuel injectors. The injectors spray the atomised fuel directly into the combustion chamber at precisely the right moment and pressure.
Q5: Why is a flow meter included in the fuel supply system?
A5: The flow meter provides essential data on the rate of fuel consumption. This information is vital for monitoring engine efficiency, diagnosing performance issues, and calculating fuel usage for voyage planning and cost management.
Maintaining the System for Peak Performance
Regular maintenance is the cornerstone of a reliable marine fuel oil system. This includes:
- Filter Maintenance: Regularly cleaning or replacing fuel filters to prevent blockages and ensure clean fuel delivery.
- Tank Cleaning: Periodically cleaning fuel tanks to remove sludge and water.
- Pump and Heater Checks: Inspecting pumps for wear and ensuring heaters and viscosity regulators are functioning correctly.
- Leak Detection: Regularly checking all piping and connections for leaks, which can be a fire hazard and lead to fuel loss.
- Calibration: Ensuring that flow meters, pressure gauges, and temperature sensors are accurately calibrated.
By understanding and diligently maintaining the fuel oil system, marine engineers can ensure their vessel's diesel engines operate at peak efficiency, providing reliable power for the demanding environment of the sea.
If you want to read more articles similar to Marine Diesel Fuel Systems Explained, you can visit the Automotive category.
