15/08/2003
The oil pressure sensor is a small but vital component in your Volkswagen Transporter T4 (1990-2003, MK4). It constantly monitors the engine's oil pressure, sending crucial data to your vehicle's onboard computer and, most visibly, controlling your dashboard oil warning light. A malfunctioning sensor can lead to false warnings, or worse, fail to alert you to a genuine and dangerous drop in oil pressure, potentially resulting in catastrophic engine damage. This comprehensive guide will walk you through the process of diagnosing issues and replacing the oil pressure sensor(s) on your beloved T4, ensuring your engine remains properly lubricated and protected.

Understanding your T4's oil pressure system is the first step. Engine oil isn't just a lubricant; it's also a coolant and cleaner, and its proper circulation under adequate pressure is paramount. Many VW T4 models, particularly those with diesel engines like the 1.9D (1X) or 1.9TD (ABL), utilise a sophisticated dynamic oil pressure system that often incorporates two distinct oil pressure sensors, each with a specific role and pressure threshold.
- Understanding Your T4's Dual Sensor System
- Common Symptoms of a Failing Oil Pressure Sensor
- Essential Preparations and Tools Before You Begin
- Step-by-Step Guide: Replacing Your T4's Oil Pressure Sensor(s)
- Troubleshooting: What If the Warning Light Persists?
- Maintaining Your VW T4's Oil System
- Comparative Table: VW T4 Oil Pressure Sensors (Common Types)
- Frequently Asked Questions (FAQs)
Understanding Your T4's Dual Sensor System
Your Volkswagen Transporter T4 may be equipped with one or two oil pressure sensors, and understanding their function is key to correct diagnosis and replacement:
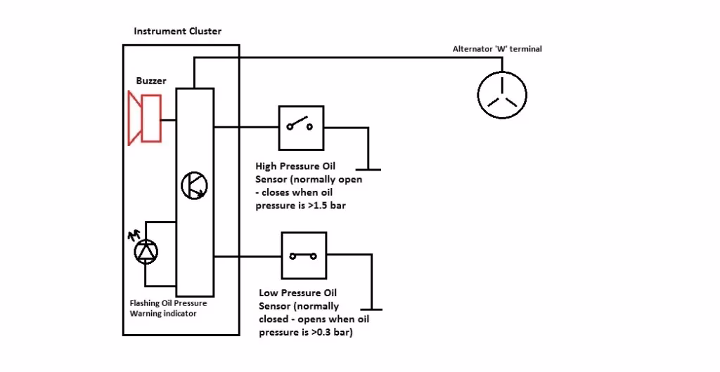
- The Lower Sensor (Oil Filter Housing): This sensor is typically found screwed into or near the oil filter housing, usually on the lower part of the engine block. It is generally the *higher pressure* switch, often rated around 0.9 bar (or within a range such as 0.75 - 1.05 bar). Its primary function is to detect critically low oil pressure that could indicate a severe problem, such as a failing oil pump or significant internal engine wear. If this sensor detects pressure below its threshold while the engine is running, it will typically trigger a persistent oil warning light on your dashboard.
- The Upper Sensor (Cylinder Head): Located on the cylinder head, usually near the top or front of the engine, this sensor is typically the *lower pressure* switch, rated around 0.25 bar (or a range like 0.15 - 0.35 bar). This sensor is integral to the dynamic oil pressure system and plays a significant role in the initial behaviour of the oil warning light. For many T4s, the correct operation involves this light flashing briefly during pre-ignition (before the engine starts) and then extinguishing once the engine is running and sufficient pressure is built. If this sensor fails, it can cause the light to flash continuously or not illuminate at all during the pre-ignition check.
It's worth noting that original VW sensors often offered incredible longevity, sometimes lasting 30 years or more. However, age and exposure to engine heat and oil inevitably lead to their degradation, making replacement a common maintenance task for older T4s.

Common Symptoms of a Failing Oil Pressure Sensor
Recognising the signs of a faulty oil pressure sensor is crucial for timely intervention. Here are the most common indicators:
- Persistent Oil Warning Light: The most obvious sign. If the oil warning light on your dashboard stays illuminated after starting the engine, or comes on intermittently while driving, it's a strong indicator of an issue.
- Incorrect Warning Light Behaviour: This is particularly telling for the T4's dynamic system. If the light flashes continuously before ignition and then goes out, this is often the *correct* behaviour. However, if it fails to flash at all during the pre-ignition check, or flashes constantly even after the engine has started and reached operating temperature, a sensor is likely at fault.
- Visible Oil Leaks: Especially common with the lower sensor near the oil filter. The sensor body or threads can degrade, leading to oil seeping out. If you spot oil around the sensor's base, it's definitely time for a replacement.
- Erratic or Non-Functional Oil Pressure Gauge: While not all T4s have an integrated oil pressure gauge, if yours does and it's showing inconsistent readings, zero pressure, or maxed-out pressure when you know it shouldn't be, the sensor could be faulty.
It’s important to remember that these symptoms *could* also indicate genuine low oil pressure, which is a serious engine problem. Therefore, timely diagnosis is essential.
Essential Preparations and Tools Before You Begin
Before you even think about unscrewing anything, proper preparation is paramount for both your safety and the success of the job. You'll be working under the vehicle, so safety should be your absolute priority.

Safety First:
- Park on a Level Surface: Ensure your T4 is on firm, level ground.
- Engage Parking Brake: Apply the handbrake firmly.
- Chock Wheels: Place chocks behind the rear wheels to prevent any accidental movement.
- Use Jack and Jack Stands: Safely raise the front of your T4 using a hydraulic jack, then immediately secure it on sturdy jack stands. Never rely solely on a jack for support when working underneath a vehicle. Give the vehicle a gentle shake to confirm it's stable on the stands.
- Disconnect Battery: Disconnect the negative (black) terminal from your vehicle's battery. This prevents any accidental electrical shorts during the process.
- Personal Protective Equipment: Wear safety glasses to protect your eyes from falling debris or oil, and gloves to keep your hands clean and protected.
Tools and Materials You'll Need:
- New Oil Pressure Sensor(s): Ensure you purchase the correct sensor(s) for your specific T4 engine model (e.g., 1.9D 1X, 1.9TD ABL) and the correct pressure rating (0.9 bar/0.25 bar or their respective ranges). It’s often prudent to replace both if your T4 has two and one is confirmed faulty, given their similar age.
- Socket Set and Spanners: You'll likely need a deep socket or an open-end spanner to fit the sensor, commonly 22mm or 24mm.
- Torque Wrench: Essential for tightening the new sensor to the manufacturer's recommended torque specification, preventing over-tightening which can damage the sensor or engine threads, or under-tightening which can cause leaks.
- Oil Drain Pan: Positioned under the sensor to catch any spilled oil.
- Clean Rags or Shop Towels: For cleaning up spills.
- Thread Sealant: Use a high-quality thread sealant or PTFE tape specifically designed for automotive applications and compatible with engine oil. Do not apply sealant to the sensor's electrical contact or tip.
- Flashlight or Work Light: To illuminate the cramped engine bay.
- Funnel and Engine Oil: To top up any lost oil after the replacement.
Step-by-Step Guide: Replacing Your T4's Oil Pressure Sensor(s)
With all preparations complete, you're ready to tackle the replacement. Take your time and follow each step carefully.
- Access the Sensor(s):
- For the lower sensor (oil filter housing), you will need to access the bottom part of the engine compartment. With the vehicle safely on jack stands, you will easily see the oil filter and the sensor nearby.
- For the upper sensor (cylinder head), you may be able to access it from above by looking down into the engine bay, or from the side if space permits. Locate the sensor, often near the front of the cylinder head.
- Prepare for Spillage: Place your oil drain pan directly beneath the sensor you are replacing, particularly for the lower sensor, as some oil will inevitably leak out when it's removed.
- Disconnect Electrical Connector: Carefully locate the electrical connector attached to the sensor. Gently pinch any retaining clips or pull the connector straight off. Be cautious, as older plastic connectors can be brittle.
- Remove the Old Sensor: Using your appropriately sized spanner or deep socket, loosen the old sensor by turning it anti-clockwise. Once it's loose, quickly unscrew it by hand and remove it, allowing the oil to drain into your pan.
- Prepare the New Sensor: Apply a small amount of thread sealant (PTFE tape or liquid sealant) to the threads of the new sensor. Ensure you don't get any sealant on the electrical contact or the sensing tip of the sensor, as this can interfere with its operation.
- Install the New Sensor: Carefully thread the new sensor into its mounting hole by hand. This helps to prevent cross-threading the threads, which can cause significant damage. Once it's finger-tight, use your spanner or socket to tighten it. Refer to your T4's service manual for the precise torque specification to ensure a secure, leak-free fit without over-tightening.
- Reconnect and Reassemble: Reattach the electrical connector to the new sensor, ensuring it clicks firmly into place. Once both sensors (if you replaced two) are installed, double-check all connections.
- Lower Vehicle and Reconnect Battery: Safely lower your VW T4 from the jack stands. Reconnect the negative terminal to your battery.
- Test and Inspect for Leaks: Start your engine. Immediately observe the oil warning light on your dashboard. It should behave correctly (e.g., flash briefly during pre-ignition and then extinguish once the engine is running). While the engine is idling, carefully inspect around the newly installed sensor(s) for any signs of oil leaks. Let the engine run for a few minutes, then turn it off. After a few minutes, check your engine oil level using the dipstick and top up if necessary.
Troubleshooting: What If the Warning Light Persists?
Even after replacing one or both oil pressure sensors, you might find the oil warning light still behaving incorrectly. This can be frustrating, but here are some common troubleshooting steps:
- Check the Other Sensor: As discussed, if your T4 has two sensors and you only replaced one (e.g., the leaking lower one), the other sensor (e.g., the upper head sensor) might be the true cause of the warning light issue.
- Inspect Wiring and Connections: Carefully examine the electrical connectors and wiring leading to both sensors. Look for any signs of corrosion, fraying, or loose connections. A damaged wire can prevent the sensor from sending a correct signal.
- Actual Low Oil Pressure: The most concerning possibility is that the sensor is *correctly* indicating a genuine low oil pressure problem. This could be due to a failing oil pump, clogged oil passages, excessive engine wear (e.g., worn main or big-end bearings), or simply an critically low oil level. If you suspect this, do not drive the vehicle. You will need to verify the actual oil pressure using a mechanical oil pressure gauge to confirm the engine's health.
- Incorrect Sensor Rating: Ensure the replacement sensor(s) match the correct pressure rating for your specific T4 engine. Using a sensor with an incorrect rating will lead to false readings.
- Instrument Cluster Fault: In rare cases, the issue might not be with the sensor or engine pressure, but with the wiring to or the oil warning light itself within the instrument cluster.
Maintaining Your VW T4's Oil System
Beyond sensor replacement, proactive maintenance of your T4's oil system is vital for its longevity:
- Regular Oil Changes: Adhere to Volkswagen's recommended oil change intervals and always use the correct grade and specification of engine oil for your T4. Quality oil and a clean filter are the foundation of a healthy engine.
- Monitor Oil Level: Make it a habit to check your oil level regularly (e.g., weekly or fortnightly), especially before long journeys.
- Inspect for Leaks: Periodically check underneath your vehicle and around engine components for any signs of oil leaks. Early detection can prevent minor issues from becoming major problems.
- Listen to Your Engine: Pay attention to any unusual noises, such as knocking or ticking, which could indicate lubrication issues.
Comparative Table: VW T4 Oil Pressure Sensors (Common Types)
| Sensor Location | Typical Pressure Rating (Approx.) | Common Failure Symptoms | Key Notes | Example Part No. (for reference) |
|---|---|---|---|---|
| Lower (Oil Filter Housing) | 0.9 bar (or 0.75 - 1.05 bar range) | Oil leaks from sensor, persistent oil warning light, potential false high readings due to internal blockage (rare) | Often the physically larger sensor. Alerts to critically low pressure. | VW 068919081c |
| Upper (Cylinder Head) | 0.25 bar (or 0.15 - 0.35 bar range) | Oil warning light flashing incorrectly pre-ignition, light not illuminating at all, constant flashing after starting | Integral to the dynamic oil pressure system. Controls pre-ignition light behaviour. | Third-party/OEM equivalent |
Frequently Asked Questions (FAQs)
- Q: Can I drive my VW T4 with a faulty oil pressure sensor?
- A: It is strongly advised against. While a faulty sensor might only be providing a false reading, it could also be masking a genuine and severe low oil pressure condition. Driving with insufficient oil pressure can quickly lead to irreversible internal engine damage, resulting in costly repairs or even engine replacement. Address the issue as soon as possible.
- Q: How do I know which oil pressure sensor is faulty on my T4 if it has two?
- A: Observe the specific behaviour of your oil warning light. If you see visible oil leaking from one sensor, that's an obvious culprit. If the light isn't flashing correctly during pre-ignition (e.g., not coming on, or constantly flashing), the upper (head) sensor is a prime suspect. If the light stays on solid after the engine starts, either sensor or actual low pressure could be the cause. A mechanical pressure test is the definitive way to confirm actual pressure.
- Q: Do I need to drain all the engine oil before replacing the sensor?
- A: No, typically not. When replacing the lower sensor, you will experience some oil spillage, so have your drain pan ready. For the upper sensor, spillage is usually minimal to none. You will need to check and top up your engine oil level after the replacement is complete.
- Q: What's the difference between the high and low pressure oil sensors on the T4?
- A: The high-pressure sensor (usually the lower one) monitors a higher threshold, primarily to warn of dangerously low oil pressure. The low-pressure sensor (usually the upper one) works within the T4's dynamic oil pressure system, often confirming lower pressure at idle or during specific engine states, and is key to the correct pre-ignition warning light sequence. Their combined input gives a comprehensive picture of the engine's lubrication status.
- Q: I replaced the sensor, but the oil warning light is still on. What should I do next?
- A: First, confirm you replaced the correct sensor, especially if your T4 has two. Check the electrical connector and wiring for any damage or poor connection. If these are fine, the light could be indicating a genuine underlying engine problem (e.g., worn oil pump, blocked oil passages, bearing wear) or, less commonly, a fault within the instrument cluster itself. It's imperative to have the actual oil pressure tested with a mechanical gauge immediately to rule out serious engine issues.
Replacing the oil pressure sensor on your Volkswagen Transporter T4 is a manageable DIY task for most home mechanics, provided you approach it with caution and the right tools. By following this guide, you can confidently restore your T4's vital oil pressure monitoring system, ensuring its engine remains healthy and reliable for years to come. Remember, proper lubrication is the key to a long engine life!
If you want to read more articles similar to VW T4 Oil Pressure Sensor Replacement Guide, you can visit the Maintenance category.
